Hi folks,
The custom moped I’m building needs a 52mm SKF bearing and I’m trying to figure out what my options are for reaming the bearing seats post welding? Ofcourse this is not a bicycle standard so bicycle tools are out. I’m re-using the front suspension from an existing scooter so am stuck with a 28mm steerer tube and the only tapered roller bearing I can get is this one:
So far i’ve tried:
- Custom reamer. This is a dead end - no one seems to want to do this. If you know of shops please let me know!
- Sleeve / adaptor cups and use a existing park tool reamer. This is what I’m working on now but its not so simple since I need a inside shoulder for the bearing / sleeves to rest on and then the HT becomes crazy thick.
- Custom fixture and bore it on a Bridgeport somehow? This seems hard and painful and I want to avoid this at all costs
Is there something else I can try? All ideas welcome.
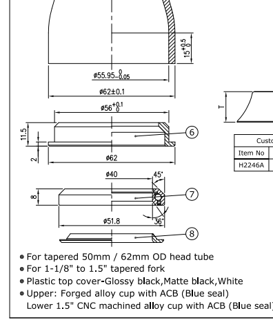
Pic for attention. Its the head tube in quesiton:

